QR code
Products
Nobis loquere


Fax
+86-574-87168065

E-mail

Oratio
Luotuo Industrial Area, Zhenhai District, Ningbo urbs, China
Si machinatio gravis tua-cogitas machinam constructionem quae totum diem hauls onerat aut messores agriculturae qui operantur nonstop per plantationis tempus-eget copulationem quae aptat spatiis strictis, sed tamen liberat magnum torquem, Raydafon's SWP-G Super Short Flex Type Universalis iuncturae copulationis prorsus quod petis. Specialiter aedificatum est pro illis compactionibus ubi singulae unciae computantur, sine activitate potestatis quam tibi necessariae sunt.
Primum, de magnitudine eius fama: "super breve" consilium non solum pittacium est—factum est pressis in maculis alias iuncturas pervenire non posse, quod est lifesaver cum machinae tuae partes artatae inter se cohaerent. Diametri gyrationis ab 225mm usque ad 350mm vagantur, ita recta in medium amplitudinis apparatum gravem aptat. Tamquam brevem iuncturam iuncturae flexae, usque ad 5 gradus misalignment angularis tractat-satis est ratio pro parvis mutationibus quae fiunt cum machinae cursus difficiles sunt dum torques portans usque ad 224 kN·m. Et elementum flexibile in eo constructum habet, quod offensas et vibrationes exsorbet sic reliquae partes tuae impetum indumenti non capiunt.
Angulos in materiis vel non secavimus. Magna vis ferri pro durabilitate et aere facta est, quae ad motum eius lenitatem addunt, ita aspera et ruptura situs constructionis vel pulvis et strages agrorum rusticorum tenet. Hoc est cur top eligo pro gravibus machinationibus iuncturas iuncturas rerum; non semel tantum operatur - pergit ire, etiam cum condiciones nuntium accipiunt. Pro agricolis, est etiam certa flexibilis coniunctio pro agriculturae instrumento, lenta satis longas horas sine fractione messis tractare.
At Raydafon, fabricatio nostra in Sinis signa ISO 9001 stricte haeret -, omnis SWP-G copulatio pro qualitate sedatus, ex ferro utimur ad elementum flexibile. Non novimus duo jobs idem esse, ut solutiones quoque discriminatim offeramus-num parva tweak ad mensuram vel ad certae compositionis apparatum opus est. Optima omnium certatim pretium est - durabilem iuncturam universalem acquires quae spatio tuo ac rationi tuo aptat. Quisquis taedet coniunctionum quae nimis magnae sunt, nimis infirmae, aut nimis pretiosae sunt, hoc SWP-G exemplar est non-fuss, solutionem magni operis quaesivisti.
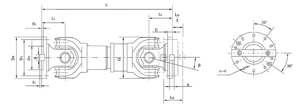
| Exemplar | SWP225G | Batch250g | SWP285G | SWP315G | SWP350G | |
| D | 225 | 250 | 285 | 315 | 350 | |
| Tn kn.m | 56 | 80 | 112 | 160 | 224 | |
| Tf KN.m | 28 | 40 | 56 | 80 | 112 | |
| β≤ | 5° | 5° | 5° | 5° | 5° | |
| Magnitudo (mm) | S | 40 | 40 | 40 | 40 | 50 |
| L | 470 | 600 | 665 | 740 | 850 | |
| D | 275 | 305 | 348 | 360 | 405 | |
| D1 | 248 | 275 | 314 | 328 | 370 | |
| D2(H7) | 135 | 150 | 170 | 185 | 210 | |
| E | 15 | 15 | 18 | 18 | 22 | |
| E1 | 5 | 5 | 7 | 7 | 8 | |
| b-h* | 32-18 | 40-18 | 40-24 | 40-24 | 50-32 | |
| h1 | 9 | 9 | 12 | 12 | 16 | |
| L1 | 80 | 100 | 120 | 135 | 150 | |
| n-d* | 10-15 | 10-17 | 10-19 | 10-19 | 10-21 | |
| M(kg) | 78 | 142 | 190 | 260 | 355 | |
* Nota: exempla notati: gyrationis diameter D=315mm, pensionis longitudinis L=620mm, typus-G breve sine typo flexo SWP315GX620 copulatio
Raydafon's SWP-G Super Short Flex Type Universalis Coniunctio iuncturae aedificatur pro illis locis strictis ubi opus est flexibilitate et potentia. Aureus efficaciter movere in spatiis quae non habent locum in partibus ponderosis, etiam cum spiculis non perfecte aligned valuit. Hoc non modo aliqua copulatio est - summus torques communis iuncturae universalis est quae lucet cum brevi longitudine opus est, sed etiam sub oneribus omissis praeterire nolueris.
Sumo molior instrumento et magna machinatione, enim. Excavatores in terram duram fodientes, oneratores tons materiales moventes - stricta omnia habent spatia ubi partes comminus atteruntur. SWP-G recte convenit ut certa coniunctio universalis iuncturae machinalis industriae, vibrationes excitans et motus assiduos de his machinis tractando tractat. Eius eximius brevis intentio in angustias ecclesias sine negotio labitur, dum certam potestatem accipit ubi opus est sine vetustate sacrificando vel quomodo bene operatur.
Agricolae quoque bene sentient. Tractores inaequales agros arant, messores per agros asperos laborantes, iuncturas egent quae cum asperis invehitur et mutationibus velocitatibus aequare possunt. Hoc SWP-G agit ut iuncturam universalem firmam iuncturam ad spicula impellenda in calces agriculturae, ad misalignationes angularis aptando quae cum labore viarum veniunt. Quod minus significat machinam induere, ideo diutius durat etiam cum condiciones agri asperantur.
Marinae setups quoque amant, praesertim in machinis strictis in navigiis. Saltwater et umor occasionem contra eius corrosioni-resistentem aedificandi non sustinent, eamque summo vagum tamquam iuncturam communem marinum efficiunt. Onera dynamica ab undis tractat et systemata impulsus impulsus, quae nonumy servat, sive in mari sive in portu occupatus es.
Et non obliviscamur renovationis industriae turbines alte molientes, semitae solares sole moventes. Haec systemata accuratam moderationem in spatiis limitatis indigent, et SWP-G gradus ascendunt sicut iuncturam versatilem coniunctionem universalem ad armorum energiam renovandam. Aureus princeps administrat sine multa backlash, ita certa perficiendi cum minimo necessitate ad sustentationem perfectam obtines systemata energiae sustinendae currens fortis.
Apud Raydafon, non solum SWP-G vendimus-sorem tuis necessitatibus tuis. Utrum in fabricandis rebus, instrumentis, navibus, navigiis, vel energia renovandarum imaginum moliris, eam aptare possumus ad id quod tu aedificas. Si vis videre quomodo haec copulatio operationes tuas leviores facere possit, modo ad turmas nostras extendite. Tibi demonstrabimus cur sit amet electionem pro spatiis ac difficilibus negotiis.
Raydafon's SWP-G Super Short Flex Type Universalis Coniuncta Coupling stat primum pro suo pacto aedificandi-hoc destinavit exprimendum in stricta mechanica setups ubi spatium premium est, sed numquam skimps flexibilitatem vel torquem. Si cum magnis torques negotiis tractas, summum ordinem iuncturae universalis torques est: elementa flexa provexit quae satis magnas angularis misalignmenta tractat sine offensione persecutionis, quod est lusus-mutator in ambitibus dynamicis ubi spicula transeundo ut machina currit.
Diuturnitas est alia hic vincere magna. Materia lenta, summa vi utimur et omnem partem adamussim aedificamus, sic labore ac lassitudine resistit etiam cum non cessat. Quod solidum universale iuncturae instrumenti machinalis industriae efficit — putant soleatus qui totum diem vel compressores sub assiduo onere currunt. Exsugat fruges et vibrationes, potestatem transmissionis stabilis servans ut instrumentum tuum non necessarium laborem accipiat.
Eius super brevis longitudo est lifesaver pro coegi systemata quoque. Cum operatus es in autocineto vel vecturae setups, omnibus inch rebus - et haec copulatio ius convenit in coniunctione universali efficiente ad hastilia propellenda. Utitur nexibus obseratis vel intentis, ita cohaerens celere est, et post tempus conservationem decidit. Plus, motus axiales bene tractat, quare curare non debes de lapsu vel mis- situdine partium in usu derivare.
Corrosio resistentia? Tectum obtinuit. Tutela addimus tunicas quae duras supellectiles stant, sicut aqua salsa in setups marinis. Quam ob rem magnum est ut iuncturam iuncturam marinam ad systemata propensionis: aspergines salsas et onera varia in mari sine rubigine vel fractura tractare potest, scaphas decurrentes laeves retinens.
Et si in propositis eco-amicis es focused, haec copulatio etiam illic tradit. industriam praecise cum vix aliquo backlash transfert, ideo virtutem non deficiet. Id efficit ut certa iuncturae universalis coniunctio ad armorum energiam renovandam - perfectam ad ventorum turbines in vento vel solis vestigationibus solis moventibus. Illas systemata sustineri efficaciter currens servat, quod prorsus opus est viridibus energiae inceptis.
Apud Raydafon, certa omnia SWP-G signa qualitati strictae occurrant, et nos illud vellicare possumus ut tuis certis necessitatibus aptare debeas, sive alia vestis, sive aliquantulum accomodata longitudine, sive consuetudine coniunctionis indigeas. Si plura scire vis de speciebus eius, vel quomodo eam in tuo instituto integrare, modo cum nostris specialibus loqui. Prorsus adiuvabimus quod machinatio tua requirit.
⭐⭐⭐⭐⭐ Li Jian, Senior ipsum, Shanghai Industrial Equipment Co, Ltd.
Raydafon in SWP-G Super Short Flex Type Universali Joint Copulando in linea productionis per paucos menses nunc habuimus, et quod speravimus bene actum est. Machinae nostrae semper strictae fuerunt in spatio, omnibus inch rebus — et huius copulationis ratio convenit ut iusta illis facta sit, partes non magis expresses ut locum capiant. Sed in functione non est saltare, vel: etiam cum paulum est misalignment (quod cum gravi usu necessarium est), eius flexibilitas potestatem transmissionis lenis, nullas jolts aut singultum servat.
Lenta quoque est - auriculas altas tractat sine sudore fracto, et post menses currens vix aliquem indutum vidimus. Celeri quoque institutionis officium fuit; turma nostra nullo tempore eam posuit, et ex eo semper certa fuit. Quisquis cum calces constrictis quae adhuc gravi officio perficiendi eget, huius copulatio nulla est.
⭐⭐⭐⭐⭐ Emily Walker, Director Technical, Novi Eboraci, Vestibulum Solutiones, USA
Vetera et molimina commissuras Raydafoni SWP-G in nostra Facultate Novi Eboraci infleximus, et differentia ex die una apparebat. Illae veteres unitates nimis occupaverunt spatium et semper sensit clunky-sed hoc quis convenit in strictas maculas et potestatem transferendi? Lenis et stabilis est, etiam cum machinas ad alta onera tractamus.
In maximus orci sed auctor volutpat. Singulis aliquot septimanis hebdomades producere desistere debebamus, ut iuncturas veteres divellere vel figere, sed cum hoc uno? Vix ulla. Sumptus sustentationem etiam deciderunt, nec frequentiores sunt in supplemento vel subitis reparationibus. Et cum de institutione quaestionem habuimus, officium emptoris Raydafon claris responsis nobis celeriter reditum est. Iam machinas illorum productorum in altera upgrade nostra utendi iam sumus; fidem nostram meruerunt.
⭐⭐⭐⭐⭐ Andreas Rossi, Procurator Operationum, Mediolani Engineering, Italy
Addens Raydafoni SWP-G cum instrumento nostro Mediolanensi copulatus erat unus ex primis vocatis ad opus nostrum praecisionis nostrae factis. In linea laboris, spatii et noctis faciunt vel frangunt-si pars maior est vel parvas infortunia tractare non potest, totum processum abicit. Haec coniunctio utraque cistas coercet: parvitas eius aptat stricta imaginum vestigia, et consilium flexibile operationes leves servat, utcumque minora compositiones quae opus sunt.
Cum eam instituebamus, pauciores ad sustentationem capitis dolores modo habuimus-non magis intermittentes productiones ad quaestiones figere aut fessas partes reponere. Et cum in summa celeritate (quod quotidie agimus) illud curritur, perfecte tenet. Diuturnitatem sapiens, quod etiam expectavimus, post menses gravioris usus, etiam nova spectat et facit. Si GENERALE coitu ad praecisionem operis opus est, iter est Raydafon.
Jean-Claude Lefevre, Sustentationis Supervisoris, Lugdunensis Opera Mechanica, France
Currebamus Raydafon SWP-G in machinis nostris iam per sex menses coitum, et lusus-mutator pro biga nostra fuimus. Primum, consilium compactum - apparatum nostrum tam stricta spatia habet, et haec coniunctio recta labitur sine necessitate ad alias partes ordinandas. Tum flexibilitas est: vim machinis nostris aufert, quae minus in aliis componentibus et pauciores naufragiis gerunt.
Etiam cum onera gravia currimus, operatio eius constantes manet, nullae tingui, nullae crepitus fatum, operatio certa iusta. Simplex quoque institutionis fuit; nostrae technicae horas non opus est manere. Optima pars? Nostra efficientia linea productio est modo sursum, propter minus downtime. Absolute servabimus utentes products Raydafon - haec copula probavit eam pretium esse.
Raydafon's SWP-G Super Short Flex Type Universalis iuncturae coniunctionis opera utendo transmissione torques flexibiles — cogitare de eo ut pons inter tela quae paulum movere potest sine nexu. Utitur elementis elasticis (voluntas partium flexibilium, rubber-similes) ad misalignmenta tractanda, omnia dum certa potentia ab uno stipite ad alterum accipit sine industria perdendi. Cum densus summus torques iuncturae coniunctionis universalis, flexibilem discum vel aranea centralem obtinuit qui vices angularis, axeos et radiales libat — sic etiam cum spicula non perfecte instruxit, gyratio laevis manet, etiam in illis angustiis ubi singulae digiti computantur.
Cor quomodo operatur in suo super breve consilium. Lenta, flexibilia, composita componit quae paulum sub onere flectere possunt ad exsertiones explendas, quae nimium accentus a machinatione tua feriendi servat. Quam ob rem talis est coniunctio solida universalis machinae industrialis - sive velocitates sive onera mutantur, vis gyratoria una cum vix aliquo backlash transit, sic apparatus tuus stabilis manet.
Hic est naufragii: spiculum input saxum, quod flexibile elementum movet, et illud elementum tunc torquem ad output sagittam satis iusta flectendo portat, nulla iactationibus, nullae subito cessantibus. Haec magna est paciscor pro spiculis propellendi, eam certam coniunctionem universalem coniunctam efficiens ut spicula pellant in setups sicut autocinetum coegi trains, ubi accurata alignment opus est, sed non multum spatii ad operandum habent.
Cum res asperae fiunt, sicut in gyris marinis cum fluctibus circa navim iactantibus — SWP-G's flex consilium vibrationes et impulsus sorbet, quae diutius durare adiuvat. Lenta iuncturae marinae universalis est quod hae partes flexibiles corrotioni resistunt et motum posteriorum et fortium ab undis tractant, propulsionem efficientem quantumvis aquam eruunt servans.
Et viridi industria setups? Hoc principium etiam ibi lucet. Virtutem efficaciter movet, cum vix aliquo detrimento, magnum illud iuncturae universalis iuncturae pro renovatione instrumenti energiae faciens. Utrum in pressionibus solis trackis vel in parvis turbines ventorum, res nonumy sine vastatione conservat - ad systema sustinendum perfectum, ubi omne momentum efficientiae numerat.
Apud Raydafonum SWP-G aedificamus ut fideles et parati ad vestras specificas necessitates aptare debeamus. Si singula technica voles aut egere adiuvandum remanens quomodo aptat in tuo consilio, nostri periti hic ad te per illam ambulabunt — non incondita, sicut recta responsa.
Oratio
Luotuo Industrial Area, Zhenhai District, Ningbo urbs, China
Tel


+86-574-87168065


Luotuo Industrial Area, Zhenhai District, Ningbo urbs, China
Copyright © Raydafon Technology Group Co.,Limited All Rights Reserved.
Links | Sitemap | RSS | XML | Privacy Policy |
