QR code
Products
Nobis loquere


Fax
+86-574-87168065

E-mail

Oratio
Luotuo Industrial Area, Zhenhai District, Ningbo urbs, China
Raydafon's SWC-WD Short Sine Flex Flange Type Universalis Copulatio aedificatur ut torques efficienter in gravibus machinationibus movendis putent ferrum volubilem molarum, gruum, apparatum tollentem, omnia quae gravia sunt. Foedum, flange non-telescopica consilium obtinuit, cum diametris gyrationis ab 180mm ad 1320mm vagantibus. Haec brevis coniunctio universalis flange misalignmenta angularis usque ad 15 gradus et torques tam alte quam 16000 kN·m tractare potest, ita etiam in spatiis strictis ubi non multum locus est, potestatem transferendi certo tenet. Nos eam facimus ex summo robore 35CrMo ferro, portante structura quae fulminibus non indiget — perfectam ad iuncturas universales pro gravibus machinationibus et non-telescopicis universalibus commissuras pro applicationibus industrialibus. Non requirit multam impensam et in perpetuum perdurat, quod prorsus est quod in lenta setups debes.
Nostra fabricatio in Sinis ISO 9001 signa sequitur, ergo SWC-WD coniunctio universalis in asperis conditionibus sustinet. Scapus crux est chrome-patella ad resistendum corrosioni, addens ad duritiem suam. LABIUM rigidum, iuncta designans institutionem facit aura, praesertim in metallurgia et fodienda instrumento ubi motus axialis minimus est. Magnitudinem aptare tuis necessitatibus consuescere possumus, ut haec durabilia brevia operae universalis copulationis magnae sint sicut consuetudo universalis commissuras gruum systematum et alia gravia officiorum opera. Etiam auctor ac est ac pretium. Raydafon artificium praecisum significat minus temporis et certioris instrumenti – aliquid operariorum industrialium circa mundum dinumerare potest.
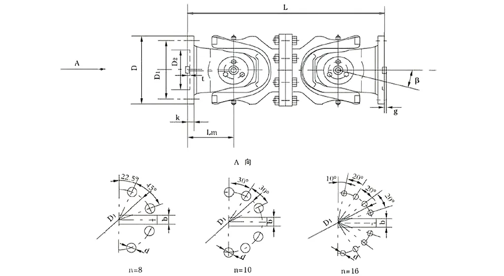
| Nec. | Gyratio diametri D mm | Nominal torque Tn KN·m | Axes complicare angulus β (°) | torque taedet Tf KN·m | Magnitudo (mm) | Pondus (kg) | |||||||||
| Lmin | D1 (js11) | D2 (H7) | Lm | n-d* | k | t | b (h9) | g | Lmin | Auge 100mm | |||||
| SWC180WD | 180 | 12.5 | 6.3 | ≤25 | 440 | 155 | 105 | 110 | 8-17 | 17 | 5 | - | - | 0.145 | 52 |
| SWC225WD | 225 | 40 | 20 | ≤15 | 480 | 196 | 135 | 120 | 8-17 | 20 | 5 | 32 | 9.0 | 0.355 | 82 |
| SWC250WD | 250 | 63 | 31.5 | 560 | 218 | 150 | 140 | 8-19 | 25 | 6 | 40 | 12.5 | 0.831 | 127 | |
| Swc285wd | 285 | 90 | 45 | 640 | 245 | 170 | 160 | 8-21 | 27 | 7 | 40 | 15.0 | 1.715 | 189 | |
| SWC315WD | 315 | 125 | 63 | 720 | 280 | 185 | 180 | 10-23 | 32 | 8 | 40 | 15.0 | 2.820 | 270 | |
| SWC350WD | 350 | 180 | 90 | 776 | 310 | 210 | 194 | 10-23 | 35 | 8 | 50 | 16.0 | 4.791 | 370 | |
| SWC390WD | 390 | 250 | 125 | 860 | 345 | 235 | 215 | 10-25 | 40 | 8 | 70 | 18.0 | 8.229 | 524 | |
| Swc440wd | 440 | 355 | 180 | 1040 | 390 | 255 | 260 | 16-28 | 42 | 10 | 80 | 20.0 | 15.320 | 798 | |
| SWC490WD | 490 | 500 | 250 | 1080 | 435 | 275 | 270 | 16-31 | 47 | 12 | 90 | 22.5 | 25.740 | 1055 | |
| SWC550WD | 550 | 710 | 355 | 1220 | 492 | 320 | 305 | 16-31 | 50 | 12 | 100 | 22.5 | 46.780 | 1524 | |
| SWC620WD | 620 | 1000 | 500 | 1360 | 555 | 380 | 340 | 10-38 | 55 | 12 | 100 | 25.0 | 83.760 | 2120 | |
* 1. Aureus sub vicis- situdine onerat, qui pro labore vires permittit.
Raydafon's SWC coniunctio universalis—swC cardan spiculum universale iuncturae coniunctionis plerumque appellatae — pars tantum non est; necesse est habere in campis industrialibus gravibus-officiis, ut mola volventia, apparatum levatum et omnia genera machinarum gravium lentarum. Sicut summus torques communis iuncturae universalis, officium solidum coniungens duas hastilia transmissionis quae non sunt perfecte aligned, certa potentia aequaliter liberata efficitur etiam cum condiciones operantes revera durae sunt.
Loquamur de nucleis eius: gyros diametris ab φ58 ad φ620, torques nominalis ab 0.15 ad 1000 kN·m exit, et angulus angulus ovi non plus quam 25°.
Haec coniunctio optime operatur in locis specificis-sicut cum certa gravi officio universalis iuncturae necessitatis ad molendinum operationum volubilem opus est, vel SWC universalis harundinis copulatio durabilis in sublatione et materiali instrumento tractandi. His in casibus vim suam ostendit: etiam sub magnis extollit, operationes stabilis servat, nullas messes vel naufragia.
Raydafon's SWC coniunctio universalis coniuncta non modo coniecta est—construitur cum callidis, up-date machinalis operandi magnum et diuturnum in usu industriae sustinendum. Per quod structuram suam eminere facit, perambulemus.
Primum, rationabilem et securam habet configurationem: caput fuscinula integratum ad hanc coniunctionem compaginem industriae universalis adhibitam, quae periculum incidit in quasi fulmina solvens vel solvens. Hoc tweak solum 30%-50% robustiorem altiore efficit, ut tuto et constanter currit. Coniunctis regularibus comparatus, longiorem modum durat, et communes difficultates in altum tensionis maculas vitat - sicut gravia machinae universales iuncturae systematum compaginatum in difficilibus operibus vides.
Tunc capacitas eius aucta onus portantis est: hoc SWC grave officium iuncturae universalis iuncturae magna pondera tractandi facta est, unde necesse est habere in locis quae summa incisura est tractatu oneris, sicut fodienda machinarum machinarum vel constructionum.
Etiam altam transmissionem efficientiam ferit—usque ad 98.6%. Cum efficiens coniunctio communis universalis pro magna potestate tradendi, industriae usum percutit et sumptus cum eo venientes. Hoc est cur top eligo pro industria-saving universali iuncturae coniunctionis solutiones in summus potentiae transmissionis industrialis.
Et levi sono lenis currit: transmissio stabilis manet, et strepitus plerumque inter 30-40 dB (A). Haec humilis strepitus iuncturae universalis iuncturae operationes quietas servat, quae perfecta est in locis industrialibus ubi sonus est quaestio - omnia, dum fidem in altam obtinent.
⭐⭐⭐⭐⭐ Zhang Wei, dux ipsum, Henan Mining ipsum Co, Ltd.
Raydafon's SWC-WD Short Sine flex Flange Type Universalis Copulatio de machinatione nostra fodienda fuimus, et perfectus aptus fuit. Consilium eius compactum solum est quod opus est strictis spatiis ubi non multum spatii est parcendi, et aedificium durum est satis ut res stabilis conservetur. Etiam cum in condicionibus gravibus officio non cessat, haec coniunctio numquam nos deprimit, nulla omnino defecta sunt. Turma conservativa nostra amat ut vix in reprimendo indigeat, quod modo productionem blande movere sine extra hastam servare possumus.
⭐⭐⭐⭐⭐ Michael Brown, Procurator Operationum, Texas Steel Works, USA
Officina nostra Texas iussit breve SWC-WD Sine flexo Flange Type universalis copulationis a Raydafon et honeste, qualitas nos avertit. Copulationes vere bene machinatae sunt, eas inaugurari cincinnus est, et etiam sub onere fideliter sustentare. Quid mihi maxime adhæsit? Quam bene librat pretium et effectus—non saepe invenis illam dulcem maculam. Invenire supplementum quod constanter hunc gradum qualitatis non facile liberat, sed Raydafon plane probavit se fidelem socium esse nobis.
⭐⭐⭐⭐⭐ Anna Müller, Sustentationem Supervisoris, Berolini Solutiones Industriales, Germany
Raydafon in SWC-WD Short sine flex Flange Type Universalis coniunctio in instrumento nostro Berolinensi in acie posuimus, et eventus magni fuerunt. Productum ipsum solidum sentit, glutino precise est, nullum opus caducum hic est-et tantum realiter bene sustentatur, summo incisura durabilitatem ostendens. Comparatis quibusdam aliis notis hic in Europa usi sumus, haec coniunctio certior est via, et pretium est modus etiam competitive. Si aliae societates universales coniunctiones constantes quaerunt, ego Raydafon absolute commendem.
Raydafon's SWC-WD Short Sine Flex Flange Type Universalis Copulatio, saepe SWC cardan hastile universale iuncturae coniunctionis appellatum est, pro strictis maculis industrialibus aedificatum, ubi spatium limitatum est et consilio fixum-longitudine opus est (nulla extensione telescopica). Sicut summus torques communis iuncturae universalis, torques efficaciter inter spicula non aligned, deviationes angularis tractans usque ad 25 gradus movet, et certa etiam in ambitu gravi officio perseverat.
Sermo de notis clavis suis: Habet structuram strictam et strictam — haec brevis, non flexibilis, quae efficit ut firmam gravem officiorum compagem iuncturam universalem ad res volvendas molas, extra stabilitatem in setups dans ubi motus axialis minimus est. Quam ob rem tam bene de certis spatiis necessariis in lenta machinatione laborat. Tunc capacitas alta est eius onus portantis: materia lenta utimur ut ferrum vel mixtura ferri ad eam faciendam, sic durabile est SWC iuncturam iuncturam spiculi in levando et materiali instrumento tractando. Pondera magna tenet et plus torques quam alias commissuras eiusdem diametri transmittit, quae perficiunt ad onera gravia in calces fodiendarum vel constructionum.
Haec coniunctio industrialis universalis coniunctio etiam vere bene recompensat pro misalignment — utrum sit angularis, parallela vel axialis misalignment, non tatam celeritate rotational vel torques transferre. Hoc significat lenis operatio in gravibus machinae systematis iuncturam universalem iuncturam. Et in potestate transmissionis efficientis: ferendi usque ad 98.6% efficientiam, haec SWC gravis officiorum iuncturae universalis coniunctio industriam amissam servat, faciens illam iuncturam universalem efficientem pro magna potestate transmissionis in potentia industriae magni- tudines.
Plus, industriam et quietam conservare voluit - si industria solutiones iuncturae universalis conservandi opus est, hoc est summa eligo, costas operationales secans. Et sonum inter 30-40 dB(A) retinet, itaque haec vox humilis communis iuncturae universae coniungitur in locis industrialibus ubi strepitus cura est.
Haec coniunctio vere lucet in missionibus specificis - sicut cum certa gravi officio universalis iuncturae necessitatis ad molendini operationes volvi, vel durabile SWC iuncturam communem stipitem in levando et materiali instrumento tractando copuletur. In his casibus, etiam in extremis oneribus et spatio stricto, stabiles operationes retinet, singultum non habet.
Cum ad industriae coniunctionis iuncturam universalem accesserit, SWC-WD varians noster eminet cum machinatione callidi quae eam melius et diuturnam efficere facit. Loquamur de structura sua clavis: habet rationabilem, securum habeat cum consilio capitis furca integrato-hoc removet difficultates sicut seras laxas vel fractiones venientes, altiore robore boosting per 30%-50%. Hoc modo tuto et fideliter decurrit, longior quam vetus stili exempla perstat, et communes naufragationes in locis visis communibus vitat, sicut gravia machinae universales iuncturae systematum iuncturae.
Plus, modo plus oneris tractare potest - eam ad graviora pondera sustinenda aedificavimus, ergo haec SWC gravis pietas universalis iuncturae coniunctio perfecta est ad loca quae lento onere tractando indigent, sicut fodienda aut constructio instrumenti. Virtutem etiam super efficientem movet, usque ad 98.6% transmissionis efficientiam ferendi. Cum efficiens iuncturam universalem coniunctionem pro magna potestate tradendi, industriam usum et impensas quae cum eo veniunt, illud facit, ut summum robur ad energiae universalis iuncturae solutionum in summo potentiae industrialis transmissionis ope- rarum solutiones salvificam efficiat.
Et vix ullus strepitus lenis currit — transmissio stabilis manet, et strepitus inter 30-40 dB (A). Haec humilis strepitus iuncturae universalis iuncturae operationes quietas servat, quae perfecta est in locis industrialibus, ubi strepitus quaestionis est, omnia dum fidem in altam obtinent.
Raydafon aliud nomen in partibus transmissionibus non solum est — nos primarius opificem ac supplicem magni operis transmissionis componentium et solutionum machinarum industrialium non est, et acutum focus in productis sicut SWC cardan scapum universalem coniunctionem iuncturam habuimus. Coepi ut cum iis quae in global industriae evolutionis egent, et per tempus, plenam aciem instruximus: gearboxes, spicula pellere, cylindros hydraulicas, machinae machinae machinarum machinarum machinarum praecisionem factae sunt omnia ad boost quam bene operae agriculturae et gravia partes currunt. Magnus es in innovatione, quam ob rem certa gravis officiorum communium iuncturam copulentiam ad molendini volvenda operationes aptas in systematibus etiam complexissimis sine Crispi tradere possumus.
Nostrae facultates sunt top-SCARIFATIO, etiam officinas CNC, stridor et caloris curationes machinas et ratio mensurae 3D provectus. Strictis signis qualitatibus adhaeremus sicut ISO9001/TS16949, et quod setup permittit ut solutiones iuncturarum iuncturarum summum torquem universalem moventes torques magnas et misalignment sicut pro tractando. Accipe nostrae durabilem SWC coniunctionem iuncturam nostram in instrumento tollendo et materiali tractando, e.g. - aedificatum est pro locis quae potentia lenta onera portantes indigent. et nostrae industriae coniunctio uni- versalis linea? Omnia genera usuum contegit, ubi subtilitas et robur maxime refert.
Octoginta centesimas ex iis quae exportantur, mittuntur ad loca sicut US, Germania, Iaponia, Italia, Malaysia, Australia, Medio Oriente. Retia valida in Sina, Corea Meridiana, UK, Singapore, US, Hispania quoque conquisivi, sic globaliter solidi sumus. Quod attingere sinit ut amet SWC grave-officium universalis iuncturae optionum iuncturarum - formandam prorsus ad id quod clientes egent, sicut in gravibus machinae systematis iuncturae universalis iuncturae ubi stabilis moratur sub extremis oneribus negotiabile non est.
Curamus de sustinebilitate et solutionibus faciendis quae primo clientes sunt. Ideo industriam salvificam solutiones iuncturae iuncturae universalis, quae usque ad 98.6% transmissionis efficientiam attingunt, energiae usui in summo potentiae setups incidendo. Utrum opus efficax coniunctio universalis iuncturae pro magna potestate transmissionis vel vocis communis iuncturae universalis pro maculis industrialibus ubi strepitus quaestionis est, fructus nostri cum plenae venditionis servitio veniunt. Id est quomodo particeps in transmissione industriae confisus fuimus - partes vendimus non modo, eas remittimus.
Oratio
Luotuo Industrial Area, Zhenhai District, Ningbo urbs, China
Tel


+86-574-87168065


Luotuo Industrial Area, Zhenhai District, Ningbo urbs, China
Copyright © Raydafon Technology Group Co.,Limited All Rights Reserved.
Links | Sitemap | RSS | XML | Privacy Policy |
