QR code
Products
Nobis loquere


Fax
+86-574-87168065

E-mail

Oratio
Luotuo Industrial Area, Zhenhai District, Ningbo urbs, China
Raydafon's SWC-WF Sine flex Flange Type Universalis Copulatio modo fit pro transmissione in gravi machinatione summus torques, instrumenta metallurgia, grues, fodiendi systemata, omnia lenta setups, quae stabilis potentia indigent. Habet flangium non-flexibile consilium, diametri gyrationis ab 160mm usque ad 640mm vagantium, et hoc genus iuncturae universalis copulentis magnas angularis misalignmenta tractat, cum gyratoriis continuis celeritatibus nullum problema, etiam laborantibus in condicionibus magnis postulantibus. Magna vi 35CrMo ferro utimur ut eam aedificemus, ad onera intensa perfecte stat — cur illud summum decerpere ad iuncturas universales pro gravibus machinationibus et non-flexis coniunctionibus universalibus pro applicationibus industrialibus. Praesensio Raydafon fabricanda facit fideles ut solidam observantiam omni tempore tradit, praesertim industriis quae de congruentia torques traditionis componi non possunt.
Haec SWC-WF copulatio universalis aedificatur ad ultimum, nexu flange rigido, qui institutionem facilem facit in systematibus sicut in fabricandis pellibus et mola volvendis-locis ubi motus axialis non multum est. Signa stricte sequimur ISO 9001, et nostra officina Sinarum fundata utitur machinatione plus stricta qualitatis progressae ad coercet ut hanc iuncturam universalem LABIUM durabilem efficiat. Venit in magnitudinum custumarum, cum censuum aureorum usque ad 1250 kN·m, ita competit consuetudini universalis iuncturae instrumentorum metallurgiarum et aliorum officiorum gravium paroeciarum. Raydafon etiam solutiones formandas praebet in pretiis competitive, adiuvans deciderit in downtime et boost vestra instrumenti fiducia est.
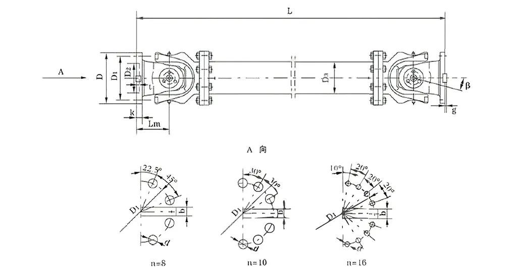
| Nec. | Gyratio diametri D mm | Nominal torque Tn KN·m | Axes complicare angulus β (°) | torque taedet Tf KN·m | Magnitudo (mm) | Rotating inertiae kg.m2 | Pondus (kg) | |||||||||||
| Lmin | D1 (js11) | D2 (H7) | D3 | Lm | n-d* | k | t | b (h9) | g | Lmin | Auge 100mm | Lmin | Auge 100mm | |||||
| SWC285WF | 285 | 90 | 45 | ≤15 | 810 | 245 | 170 | 194 | 160 | 8-21 | 27 | 7 | 40 | 15 | 2.664 | 0.051 | 220 | 6.3 |
| SWC315WF | 315 | 125 | 63 | 915 | 280 | 185 | 219 | 180 | 10-23 | 32 | 8 | 40 | 15 | 4.469 | 0.0795 | 300 | 8.0 | |
| SWC350WF | 350 | 180 | 90 | 980 | 310 | 210 | 267 | 194 | 10-23 | 35 | 8 | 50 | 16 | 7.388 | 0.2219 | 412 | 15.0 | |
| SWC390WF | 390 | 250 | 125 | 1100 | 345 | 235 | 267 | 215 | 10-25 | 40 | 8 | 70 | 18 | 13.184 | 0.2219 | 588 | 15.0 | |
| SWC440WF | 440 | 355 | 180 | 1290 | 390 | 255 | 325 | 260 | 16-28 | 42 | 10 | 80 | 20 | 23.250 | 0.4744 | 880 | 21.7 | |
| SWC490WF | 490 | 500 | 250 | 1360 | 435 | 275 | 325 | 270 | 16-31 | 47 | 12 | 90 | 22.5 | 40.750 | 0.4744 | 1173 | 21.7 | |
| SWC550WF | 550 | 710 | 355 | 1510 | 492 | 320 | 426 | 305 | 16-31 | 50 | 12 | 100 | 22.5 | 68.480 | 1.3570 | 1663 | 34.0 | |
| SWC620WF | 620 | 1000 | 500 | 1690 | 555 | 380 | 426 | 340 | 10-38 | 55 | 12 | 100 | 25 | 127.530 | 1.3570 | 2332 | 34.0 | |
* 1. Aureus sub vicis- situdine onerat, qui pro labore vires permittit.
* 2. L- install longitudo, quae est secundum exigentiam.
Raydafon's SWC-WF sine typo flange flexo iuncturae universalis — etiam SWC cardan hastile universalis iuncturae coniunctionis operatur — in idea mechanica fundamentali: torques accipit a duobus spiculis non-collineis, quo ire oportet, et misalignment quoque tractat. Summus hic torques universalis iuncturae iuncturae adhibet crucem-ferentem ut bracchiis utrinque iungendis utitur, ita etiam cum spiculi usque ad 25 gradus cinguntur vel deflexiones axiales/radiales habent, tamen potentiam rotativam aequaliter movet.
Cor quomodo operatur est consilium commune universale - crux est scapula quae cardo agit, missis quaelibet lingna per seipsam movetur. Hoc modo, torques ab hastili emisso ad hastile activum efficenter exit, et pro misalignments angularis facit sine nimia accentus in partes quas illi connexas est. Si certa gravis-officii communio iuncturae necessitatis ad molendini operationes volubilem opus est, haec structura rigida, non-flexibilis compages stabilia servat, quae perfecta est propter breves intervallum nexus in gravibus machinationibus compactis.
Quod munus suum exstare facit, non habet partes flexibiles nec lineamenta expansion -, hoc separat ab aliis speciebus et magnum facit in locis ubi motus axialis minimus est. Durabilis SWC universalis harundo iuncturam iuncturam utimur in armorum tractandorum et materialium instrumento levando innititur huic principi ut aequilibretur etiam sub magnis oneribus manere; efficientia transmissionis usque ad 98.6% pervenit et non multum industriam terit. Haec coniunctio industrialis uni- versalis coniunctio etiam in vibrationibus obtruncat propter certas gerentes motus, ita aequaliter etiam in magnis visibus adiunctis decurrit — sicut gravia machinae universae iuncturae systematum compaginatum in difficilibus industrialibus negotiis visibiles.
Plus, Raydafoni SWC grave officium universalis iuncturae compagis iunctas flanges fecit ut robustiorem redderet - de fulminibus solvendis non amplius sollicito, et boosts altiore robore per XXX% ad L%. Cum iuncturam iuncturam efficiens pro magna potestate tradendi, torques nominales ab 0.15 ad 1000 kN·m tractat et diametri gyrationem habet ab φ58 ad φ620 — eamque summam eligo pro energiae universali iuncturae solutionum in postulandis transmissionibus industrialibus exigendis. Et cum strepitu inter 30-40 dB(A) conservatus hic strepitus communis iuncturae universalis quietus currit, quod est specimen macularum industrialium ubi strepitus cura est, omnia alta firmitatis signa servata.
Raydafon's SWC coniunctio universalis — saepe SWC cardan spiculum universalis iuncturae copulationis appellata, pars iusta non est; necesse est habere pro gravioribus officiorum setups industrialibus, ut mola volventia, machinae levativae et omnia genera machinarum gravium lentarum. Sicut summus torques communis iuncturae universalis, officium solidum coniungens duas hastilia transmissionum quae perfecte non aciem instruunt, certa potentia fluentem servat etiam cum condiciones operantes asperas habent.
Loquamur de speculis clavibus: gyros per regiones diametri ab φ58 ad φ620, torques nominales ab 0,15 ad 1000 kN·m exit, et angulus angulus ovi non plus quam 25°.
Productum hoc vere lucet in missionibus specificis - sicut cum certa gravi officio universalis iuncturae necessitatis ad molendini operationes volvi, vel durabile SWC iuncturam universam stipitem iuncturam in levando et materiali instrumento tractando. His in casibus, suam dignitatem probat ut res stabilis conservet, etiam cum de gravibus oneribus agit.
Raydafon's SWC coniunctio universalis non modo aedificata est ad functionem — machinatum cum callido consilio habendum in usu industriae et bene diuturnum servando servandum. Frangamus quod structuram suam exstare facit.
Primum, rationabilem et securam habet configurationem: caput fuscinula integratum ad hanc coniunctionem compaginem industriae universalis adhibitam, quae periculum incidit in quasi fulmina solvens vel solvens. Quod solum boosts suam integritatem structuralem per 30%-50%, sic tuto ac fideliter operatur. Coniunctis regularibus comparatus, diutius durat et communes ruinas in difficultatibus locorum accentus vitat - sicut machinae graves universales systematum iuncturam quae in difficilibus operibus vides.
Tunc aucta est eius capacitas onus portantis: hoc SWC grave officium iuncturae universalis iuncturae magna pondera tractandi facta est, unde necesse est habere in locis quae summa incisura oneris administratione indigent, sicut fodienda aut machinae constructionis.
Etiam altam tradendi efficientiam tradit - usque ad 98.6% ferendi. Cum efficiens coniunctio communis universalis pro magna potestate tradendi, demittit usum energiae et sumptuum qui cum eo veniunt. Hoc est cur summum arbitrium est de industria servandi solutiones iuncturae coniunctionis universalis in summus potentiae transmissionis industrialis.
Et levi sono lenis currit: transmissio stabilis servat, et strepitus inter 30-40 dB (A). Hic humilis strepitus coniunctio universalis iuncturae certas operationes quietas facit, quae perfecta est in locis in quibus sonus est quaestionis – omnia, dum fidem in altam obtinent.
⭐⭐⭐⭐⭐ Chen Liang, Lorem ipsum, Zhejiang Machina Co., Ltd.
Raydafon in SWC-WF Sine flex Flange Type Universalis Copulatio in una linearum productionis posita est, et tam longe laboravit. Simplex structura est sed tenax-installing erat aura, gradus non perplexi. Cum suus posuit, lenis currit, extra tweaks non est opus. Etiam cum oneris gravis est, haec coniunctio certa manet, quae machinas longas horas sine sollicitudine nimium servare possumus - certius pacem animi nobis praebet.
⭐⭐⭐⭐⭐ Sol Mei, Emendo Supervisor, Hebei Ferro Co., Ltd.
Societas nostra plurium SWC-WF emit sine Type Flange flexa coniunctiones universales a Raydafon, et primo off, traditio opportuna erat tempore, et sarcina nimium diligens fuit - nulla omnino noxa. Quid mihi revera eminet, est quod in officina quadrigis dixit: dicebant mihi junctiones faciles esse institutiones, et cum iis utentes, solida vere sentiunt. Plus, comparatus aliis praebitoribus, pretium hic pulchrum est. Omnino hac emptione vere laeti sumus.
⭐⭐⭐⭐⭐ Guo Iun, Sustentationem Procurator, Liaoning Gravis Industry Group
Meum officium est machinas nostras currentes custodire, et conor excidere quantum possum. Cum incepimus usura Raydafon's SWC-WF Sine Flex Flange Type Universalis Coupling, magnam differentiam - minus induere ex parte animadverti, et modo pauciores difficultates in operatione. Consilium lenta est, nec multum eget sustentatione. Quod tempus et pecuniam nos salvet, et eximius fidelis pars instrumenti nostri evasit.
Raydafon est clavis subsidiaria SAECLI POTESTATIS Group Co., Ltd. — non modo supplicem sumus, sed go-provisor pro elementis et solutionibus industrialibus tradendis, multum focus in producta amet sicut SWC cardan stipite universali iuncturae copulationis posuimus. Cum coepimus, omnes de technologia proficiendi et in mercatis globali crescentibus fuimus; in singulis componentibus vendere non destitimus-solummodo nos calli- mus solutiones plenae rationi aptas agriculturae et gravis officiorum industrialium necessitates perfecte. Nostra nosti- quomodo in activitates hastilia et productorum transmissionum significat clientes qui certae gravitatis officiorum communium iuncturam egent ad res volvendas molendini (et alia negotia difficilia) nobis comitem solidum esse possunt.
In Raydafon amplis productorum facimus: gearboxes, spicula pellunt, cylindros hydrau, trochleas, nec non machinae machinae ut CNC lesti et machinae molentis. Noster summus torques universalis iuncturae coniunctionis solutiones - suscipe seriem SWC, exempli gratia, aedificata ad tractandas strictas industriarum exigentias, quae durabile SWC compaginem universalem scapum copulentur in tollendo et materiali instrumento tractando. Facultates quoque provectas habuimus: CNC officinae, stridor et machinis curatio caloris, 3D instrumenta mensurae - omnia signa inhaerere ISO9001/TS16949, omnis iuncturae industriae universalis copulatio summa est qualitas et subtilis.
80% productorum nostrorum transmarinas mercatus vendimus sicut US, Germaniam, Iaponiam, Italiam, Malaysia, Australiam, Orientem Medium. Et validam reticulum in locis sicut Sinis, Corea Meridiana, UK, Singapore, US, et Hispaniam cepimus ut resupinares. Hoc globali positum permittit ut solutiones nativus conficiamus, sicut SWC grave officium universalis iuncturae coniunctio, gravia machinae universalis systemata iuncturarum iuncturarum quae magna onera tractare et diu durare opus est.
Innovatio ac clientium felicia nostra potiora sunt. Industria salutaris solutiones iuncturae iuncturae universalis praebemus quae efficientiam transmissionis 98.6% attingunt, impensas operationales pro summus potentiae paroeciales secans. Utrum opus efficax iuncturae universalis coniunctio magnae potentiae transmissionis vel strepitus communis iuncturae universalis locorum in quibus res strepitus, fructus cum servitio professionali post venditionesque veniunt - et recte faciendis dedicati sumus. Quam ob rem Raydafon optima eligo pro omnibus necessitatibus tuis tradendis.
Oratio
Luotuo Industrial Area, Zhenhai District, Ningbo urbs, China
Tel


+86-574-87168065


Luotuo Industrial Area, Zhenhai District, Ningbo urbs, China
Copyright © Raydafon Technology Group Co.,Limited All Rights Reserved.
Links | Sitemap | RSS | XML | Privacy Policy |
