QR code
Products
Nobis loquere


Fax
+86-574-87168065

E-mail

Oratio
Luotuo Industrial Area, Zhenhai District, Ningbo urbs, China
Raydafon's SWC-DH Short Flex Welding Typus Universalis Copulatio constructa est ad connectere hastilia misaligned in armis gravibus-officiis, cogitare molas volventes, hoists, et machinis ferri processus. Compendium est brevem coniunctionem flexae universalis, cum diametro gyrationis ab 45mm ad 390mm vagantem. Etiam cum iacula absunt usque ad 25 gradus (misalignment angularis), tamen efficaciter torques movet — maxuma in 1000 kN·m, quae in gravibus instrumentis potentiae necessariis convenit.
Facimus eum magna vi 35CrMo ferro, et quatuor acus gestus addimus, sub oneribus tam gravibus sustinet. Ideo solidum est eligo machinationes industriales in coniunctionibus universalibus, et magna cum gravi instrumento coniunctiones in locis in quibus onera alta manent nonstop iuncta sunt. Eius breve flex consilium perfectum est pro machinis cum cellula motus axialis etiam - dat transmissionem lentam pro spatiis industrialibus lentae.
Raydafon a China-based fabrica cum ISO 9001 certificatione, sic strictae qualitates regulas SWC-DH in omni coniunctione universali haeremus. Crux scapi accipit laminam chrome ad corrosionem pugnare, ita durat etiam cum condiciones durae sunt. Iugum iuncta faciliorem reddit institutionem, etiam - iusta spicula rectam aciem, et ad optimum suum operatur. In calces in metallurgia, fodienda, et ciconia reperies, nulla difficultas.
Plus, haec coniunctio in diversis magnitudinibus et stimulis aureis venit. Si consuetudo necessaria est coniunctio universalis machinalis industrialis -, puta messoribus vel aliis rebus certis -, sartor in necessitatibus tuis possumus, et pretium competitive sistit. Fabricationem compendii cognoverunt quomodo hoc brevem flexam conjunctionem in instrumento temporis deciderit, sic machinae tuae altiore certius currunt.
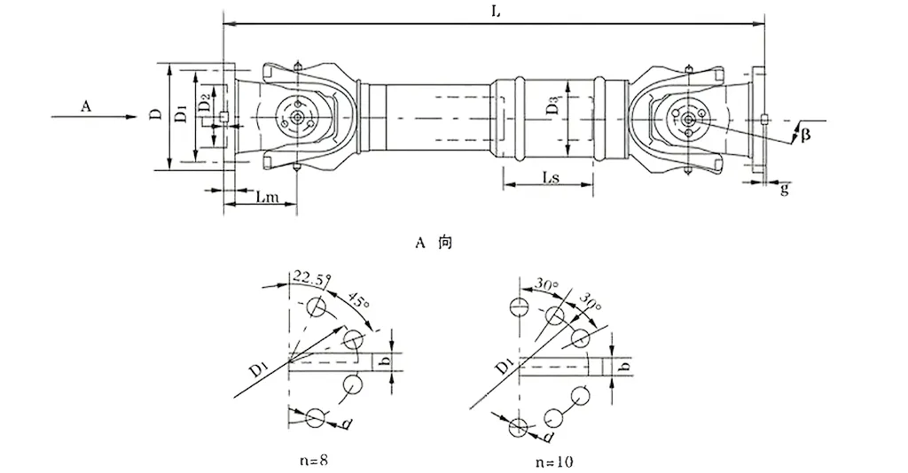
| Nec. | Gyratio diametri D mm | Nominal torque Tn KN·m | Axes complicare angulus β (°) | Torquere fatigas Tf KN·m | quantitas flex Ls mm | Magnitudo (mm) | Rotating inertiae kg.m2 | Pondus (kg) | |||||||||||
| Lmin | D1 (js11) | D2 (H7) | D3 | Lm | n-d* | k | t | b (h9) | g | Lmin | Auge 100mm | Lmin | Auge 100mm | ||||||
| SWC180DH1 | 180 | 20 | 10 | ≤25 | 75 | 650 | 155 | 105 | 114 | 110 | 8-17 | 17 | 5 | - | - | 0.165 | 0.0070 | 58 | 2.8 |
| SWC180DH2 | 55 | 600 | 0.162 | 56 | |||||||||||||||
| SWC180DH3 | 40 | 550 | 0.160 | 52 | |||||||||||||||
| SWC225DH1 | 225 | 40 | 20 | ≤15 | 85 | 710 | 196 | 135 | 152 | 120 | 20 | 5 | 32 | 9.0 | 0.415 | 0.0234 | 95 | 4.9 | |
| SWC225DH2 | 70 | 640 | 0.397 | 92 | |||||||||||||||
| SWC250DH1 | 250 | 63 | 31.5 | ≤15 | 100 | 795 | 218 | 150 | 168 | 140 | 8-19 | 25 | 6 | 40 | 12.5 | 0.900 | 0.0277 | 148 | 5.3 |
| SWC250DH2 | 70 | 735 | 0.885 | 136 | |||||||||||||||
| SWC285DH1 | 285 | 90 | 45 | ≤15 | 120 | 950 | 245 | 170 | 194 | 160 | 8-21 | 27 | 7 | 40 | 15.0 | 1.876 | 0.0510 | 229 | 6.3 |
| SWC285DH2 | 80 | 880 | 1.801 | 221 | |||||||||||||||
| SWC315DH1 | 315 | 125 | 63 | ≤15 | 130 | 1070 | 280 | 185 | 219 | 180 | 10-23 | 32 | 8 | 40 | 15.0 | 3.331 | 0.0795 | 346 | 8.0 |
| SWC315DH2 | 90 | 980 | 3.163 | 334 | |||||||||||||||
| SWC350DH1 | 350 | 180 | 90 | ≤15 | 140 | 1170 | 310 | 210 | 267 | 194 | 10-23 | 35 | 8 | 50 | 16.0 | 6.215 | 0..2219 | 508 | 15.0 |
| SWC350DH2 | 90 | 1070 | 5.824 | 485 | |||||||||||||||
| SWC390DH1 | 390 | 250 | 125 | ≤15 | 150 | 1300 | 345 | 235 | 267 | 215 | 10-25 | 40 | 8 | 70 | 18.0 | 11.125 | 0.2219 | 655 | |
| SWC390DH2 | 90 | 1200 | 10.763 | 600 | |||||||||||||||
* 1. Aureus sub vicis- situdine onerat, qui pro labore vires permittit. * 2. Lmin-minima post incisa. * 3. L-install longitudo, quae est secundum exigentiam
Communicatio universalis SWC Copulatio, quae saepe SWC Cardan Shaft Universalis Copulatio coniungitur, clavis est coniuncta in missionibus gravi officio industrialibus. Necessarium est ad molas volvendas, machinas levandas, varias rationes machinarum graves magnarum. Ut summus torques universalis iuncturae coniunctio, duas hastilia transmissionis cum securibus non coincidentibus efficaciter coniungere potest, continuam potentiam tradendi, etiam sub condicionibus multiplicibus et asperis operantes.
Core parametri technici huius copulationis sunt hae:
Gyratio Diameter: φ58 - φ620
Nominal Torque: 0.15 - 1000 kN·m
Axis Angulus: ≤25°
Praxeos usus, eximie bene facit. Exempli gratia, in molendinis volvendis operationibus, cum certa gravis obligatio communis iuncturae universalis ad molendina volubilia dicata necessaria est, vel in armorum tractatione materiali elevatio, cum SWC universalis stipes iuncturae durabilis requiritur, hoc productum est plene competens. Etiam sub oneribus gravibus, potest stabilitatem instrumentorum operationalium stabiliter conservare.
SWC coniunctio universalis coniunctio ordinatur utens principia machinativa provecta, liberans eximiam observantiam et longiorem vitam in ambitus industriae serviendi. Praecipuae eius notae structurae hae sunt:
Rationabilis et tuta compages: Lorem consilium caput integratum furca, haec coniunctio industrialis universalis iuncturae periculum redigit fulminis solvendi vel fracturae, structurae vires augens per 30%-50%. Hoc consilium tutam ac certam operationem efficit, vitam servitutis extendit ad exempla maiorum comparata, communes defectiones in missionibus prementibus impedit, sicut graves machinae universales iuncturae systematum iuncturae.
Consectetur Lond-Baring Capacitas: SWC grave officium iuncturae universalis coniunctio specialiter destinatur ad onera gravia sustinenda, quae necessariam facit in missionibus, quae requirunt excellentem onus administrationem sicut fodienda aut machinae constructiones.
Excelsa Transmissio Efficientia: Cum efficientia usque ad 98.6%, haec efficiens coniunctio universalis universalis ad summus potentiae transmissionis industriam consumptionem et impensas cognatas imminuit significanter, faciens primam electionem pro energiae conservandae coniunctionis universalis solutionis in summus potentiae tradendi industriae rationum.
Operatio stabilis cum Sono Belgico: Hic strepitus communis iuncturae universalis stabiliter operatur cum campestribus sonis typice inter 30-40 dB (A), ut quietam obtineat effectum. Est specimen pro ambitus strepitus-sensitivos cum summa constantia servans.
Coniunctiones universales iuncturae, praesertim SWC cardan, scapi universalis coniunctio iuncturae, necessariae tradendae factae sunt in applicationibus industrialibus ob praestantes utilitates. Core in necessitatibus occurrere possunt cum exercendis in campis, ut gravia machinae, praecisionis fabricandae, ac transmissionis industriae. Subter accurata analysis eorum commoda praecipuorum est:
1. Fortis Torque Transmission et Excellent misalignment Compensation
Summus torques communis iuncturae universalis, onerat stabiliter transmittere potest. Etiam in missionibus ubi telum misalignment frequenter accidit in operationibus molendinorum volubilibus — sicut axialis offset causatur cylindro indumenti et temperaturae mutationibus in ferro volubili — hoc certum grave officium universale iuncturam iuncturam ad molam volvendam facile tractari possunt. Simul compensare potest pro misalignments angulares, axiales et radiales cum maximo misalignamento angulari usque ad 25 gradus. Praeclara haec misalignment aptabilitas vetat transmissionem stipitem misalignment causatam, continuam et stabilem potestatem partus praestat, probabilitatem defectivorum mechanicorum sub extrema operatione condiciones significanter minuit et continuam operandi lineas productionis praestat.
2. High Diuturnitatem et iam Service Vita
Consilium et materia lectio SWC iuncturarum iuncturarum universalium sunt in "resistendis oneribus gravibus et asperis ambitus resistentibus". Praecipuum corpus altum roboris mixturae ferro conficitur, cum furca capitis structura integrata coniuncta, quae fundamentaliter defectum commune reducit puncta sicut fulmen resolutivum et fractio componentis. Accepto durabili SWC universali stipite iuncturae coitu adhibito in instrumento levando et materiali tractando exemplo, potest sustinere momentum onus momentaneum cum res gravia elevans et stabilis effectus in gravibus ambitibus sicut pulvis et temperaturas altas sustinet. Comparata cum traditional schismatis structura iuncturae, haec coniunctio industrialis universalis coniunctio altiorem vim auget per 30%-50%, quae non solum frequentiam cotidianae sustentationis minuit, sed etiam vitam servitutem per 2-3 annos extendit. Maxime convenit ad longum tempus summus oneris operandi necessitates gravium machinarum systematum iuncturarum universalium iuncturarum.
3. High Transmission Efficiency and Insignes Energy-saving Effect
Expertus ostendimus efficaciam transmissionis SWC gravem officiorum compaginem universalem tam altam esse quam 98.6%, quae manifestas utilitates habet in missionibus missionum industrialium summus potentiae, sicut fornax furoris in plantis ferro et carbone systemata in plantis potentiae deferens. Apparatum enim, quod summus potentiae transmissionis continuam requirit, congruens cum hac efficiente universali iunctura copulatio magnae potestatis tradendi potest minuere damnum potentiae. Ad conatum consequendum industriam conservandam universalem coniunctionem coniunctionis solutionis, haec summa efficacia directe converti potest in commoda gratuita: adhibita 1500kW motoris industrialis exemplum, potest plus quam 12000 Yuan in electricitatis sumptibus conservare per annum, et conatibus adiuvet magnas impensas in diuturno usu minuere, dum industriae salutaris et consumptionis reductionis trends in agro industriae obtemperans.
4. Stabilis et quieta operatio, Multiplex Scenarios Idonea
Per optimizing gerentem aptum accurationem et uncto levi friction coëfficiente utens, sonitus operativus huius vocis humilis iuncturae iuncturae universalis stricte moderatur ad 30-40 dB (A), quod aequivalet sono ambientium gradui diurni officii et cum strepitu emissionis signa industrialium situm plene obtemperat. In missionibus strepitus-sensibilibus - sicut in plantis productio in cibo processus et instrumento ad subtilitatem electronicarum partium deducendo, non solum stabilitatem ac constantiam systematis tradendi curare potest, sed etiam vitare afficiens officinam ambitum vel experientiam operariorum operariorum ob strepitum. Eodem tempore notae transmissionis stabilis possunt etiam fatigationem circumiacentium partium ex armorum vibratione reducere, augere stabilitatem operandi et serviendi vitam totius systematis productionis.
SWC-DH flex flex Welding Type Universalis Copulatio, saepe ut SWC cardan stipes universalis iuncturae iuncturae referatur, maxime in missionibus gravibus machinariis adhibitus est ut mola et spartum volvens. Hoc genus armorum altissima postulata habet ad compaginem firmitatem et flexibilitatem — solum si haec duo puncta conveniendo efficiens operatio effici potest, quae coniunctio perfecte eiusmodi necessitatibus occurrit. Ut summus torques universalis iuncturae coniunctio, duas hastilia transmissionis cum securibus non coincidentibus efficaciter coniungere potest, inconsutilem potentiam tradendi etiam in asperis ambitibus industrialibus, quae certae mercedis saxi systematis misalignment requirunt.
In applicationibus practicis, utrum certa gravis pietas universalis iuncturae copulationis ad molendinum volvendum opus sit in opere molendini volubili, an SWC universalis harundinis iunctura, in sublevandis et materialibus instrumentis tractandis requiritur, hoc opus praeclare praestare potest - stabilis armorum operationem etiam sub extremis oneribus ponere potest. Aptabilitas eius utilitas praecipue eminet in instrumentis compactis in quibus spatium limitatum est et breve consilium structurae flexibilis requiritur.
Haec SWC-DH iuncturae industrialis universalis coniunctio aedificatur cum provectis technologiae machinalis et optimized ad vitam perficiendam et serviendum specialiter ad missiones industriales. Core eius sistens in rationabili et tuto consilio consistit: caput integratum structurae principaliter eliminat occulta fulminis pericula emissionis vel fracturae, altiorem vim augens per 30%-50%. Hoc consilium non solum salutem et constantiam operandi praestat, sed etiam servitium vitae cum exemplaribus traditis extendit, vitando difficultates communes defectus in magno applicatione missionum sicut gravia machinae universales iuncturae systematum iuncturae.
Praeterea capacitas oneris ferentium augetur per consilium ad maiora sustinenda pondera, ergo haec SWC gravis officiorum iuncturae universalis copulatio aptissima est missionibus cum strictis requisitis ad facultatem oneris afferentis, sicut fodienda machinae et constructionis instrumentorum. Per efficientiam tradendi, usque ad 98,6% pervenit. Cum efficiens coniunctio communis universalis pro magna potestate tradendi, signanter minuere potest industriam consumptionis et electricitatis impensas, faciens praelatum opus ad solutiones iuncturae universalis conservandae energiae in campo summus potentiae transmissionis industrialis.
Denique haec copulatio notae stabilis transmissio, cum sonitus operandi plerumque ad 30-40 dB(A) coerceri solet, in communi iuncturae communi strepitu eam facit. Haec proprietas sinit ut in missionibus industrialibus strepitus-sensitivos tacite operetur, alta fide omni tempore servata.
⭐⭐⭐⭐⭐ Wang Lei, Project ipsum, Guangdong Gravis machina Co., Ltd.
Raydafon's SWC-DH Short flex Welding Type Universal Copullatione usi sumus in gravibus machinationibus nostris aliquantisper nunc, et iucunda admiratio fuit-praesertim cum in strictas maculas opportunum fuerit. Apparatus noster spatium satis limitatum ad partes transmissionis habet, sed hoc consilium compactum in globo simile convenit, non opus est ut alia membra ordinare tantum opus sit.
Illud etiam melius est quod magnitudine perficiendi non immolat. Adhuc valida, stabilis Aureus tradenda tradit - criticam pro nostra opera gravia officiorum. Continuo hebdomades currimus, nulla abnormis vibratio fuit; tota ratio laevis. Qualitas glutino etiam alia ellipsis est-solum illud indicare potes eo spectando, quod nobis plenam fiduciam tribuit, quod ad diuturnum tempus gravem usum retinebit. Pro conjunctione quae spatium-salvantem consilium et constantiam librat, hic victor est.
⭐⭐⭐⭐⭐ Zhao Ming, Procurator Procurator, Tianjin Ferro ipsum Co, Ltd.
Plures nexus SWC-DH ex Raydafon nuper iussi sumus, et dicam, totum processum lenocinium fuisse auram, non dolores, nullas moras. Ex tempore quo in ordinem misimus, turma eorum responsiva erat, et traditio recta monstravit in schedula, quae plus magnum est ad nostram productionem in vestigio observandam. Fasciculus etiam summa incisura erat: utraque coniunctio secure involuta erat, nullae in naviculas dents aut detrimento-modo paratae ad unbox et instituere.
Nostra turma technicam tractavit de setup, et nominaverunt ilicet quam facile erat ascendere. Non perplexa vestigia, nulla specialia instrumenta quaerenda sunt—acceperunt cito aptatum, et postea certo currebant. Cum tu factor in rationabili pretio cum hac congruente observantia paratur, perspicuum est haec copulatio magni pretii offerre. Iam consilium indicem nostrum regularem procurationem servare cogitamus; genus productum est quod officium meum faciliorem facit emptorem.
Liu Hong, Sustentacionem Director, Shandong Industrial Group
Sicut aliquis qui apparatum sustentationem curat, mea maxima prioritas in downtime succidit et minuendo tempus meum turmas suas in partes servientes impendit. Raydafoni SWC-DH copulationem utramque scrinia illa perfecte cohibet. Utimur eo in instrumento, quod sub gravibus laboribus cottidie decurrit, et numquam labitur aut variatur, immotus in loco, nullo nexus solutus est. Etiam post menses usus vix ullum signum indumenti est, quod ingens discrepantia est in aliis copulationibus quas ante usi sumus.
Cum illis maioribus commissurae fuimus semper velox figmenta seu pars supplementa, quae in tempus productionis manducavimus et in sumptibus accessimus. Hoc unum? Vix eam attingimus, nulla crebra opera, nulla inexspectata naufragia. Tantum tempus et pecunia in conservatione nos servavit, et iustum officium suum fideliter servat. His diebus in cotidianis operationibus factum est; De eo deficiente cura non habeo, quod me in aliis potioribus versari sinit. Omnino genus certae partis est omnis eget dolor sustentationis.
Oratio
Luotuo Industrial Area, Zhenhai District, Ningbo urbs, China
Tel


+86-574-87168065


Luotuo Industrial Area, Zhenhai District, Ningbo urbs, China
Copyright © Raydafon Technology Group Co.,Limited All Rights Reserved.
Links | Sitemap | RSS | XML | Privacy Policy |
