QR code
Products
Nobis loquere


Fax
+86-574-87168065

E-mail

Oratio
Luotuo Industrial Area, Zhenhai District, Ningbo urbs, China
Raydafon's SWC-BF Standard Flex Flange Type Universalis Copulatio fabricatur ut torques certo in gravibus machinationibus moveatur-cogitant molas volventia, instrumenta chartae fabricationis, agitationes industriales, omnes paroeciales, quae lenta perficiendi indigent. Habet flangulam flexibilem cum diametris gyrationis ab 180mm ad 620mm vndique, et haec vexillum universalem iuncturam ansarum misalignorum angularium flectunt usque ad 15 gradus plus torques tam alto quam 1250 kN·m. Etiam in ambitus laboris exigendo, cursus stabilis servat, nullas guttas retinet. Id facimus cum magna vi 35CrMo ferro et cura acus gestus, ita perfectus est ut universales iuncturas machinationis industriae et iuncturas flanges pro gravibus instrumentis flectunt - vim fortiter movet, et nullam vibrationem vix animadvertis.
Nostra fabricatio in Sinis signa ISO 9001 sequitur, ergo SWC-BF coniunctio universalis diu durat et corrosioni resistit - omnes propter chrome-patratam crucis eius stipitem. LABIUM iunctio facilem institutionem facit, quae magnum auxilium est in campis sicut metallurgia, fodienda et fabricanda loca ubi moderari debes flexibilitatem axialem. Magnitudinem eius et aestimationes torquales consuescere possumus, ut haec durabilis flexa universalis coniunctio magna operatur sicut consuetudo coniunctionum universalium ad molendina volvenda et alias necessitates industriales. Ac pretium auctor, nulla suspendisse. Raydafon cognoscet-quomodo minus tempus habebis in sustentatione et instrumentum tuum certius manebit-aliquid operariorum circa mundum dinumerare potest.
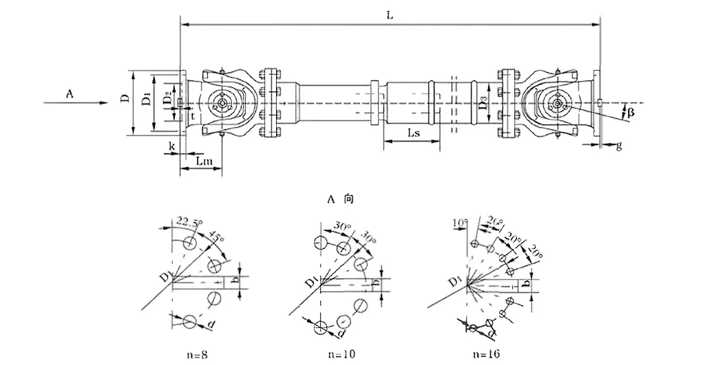
| Nec. | Gyratio diametri D mm | Nominal torque Tn KN·m | Axes complicare angulus β (°) | torque taedet Tf KN·m | quantitas flex Ls mm | Magnitudo (mm) | Rotating inertiae kg.m2 | Pondus (kg) | |||||||||||
| Lmin | D1 (js11) | D2 (H7) | D3 | Lm | n-d* | k | t | b (h9) | g | Lmin | Auge 100mm | Lmin | Auge 100mm | ||||||
| SWC180BF | 180 | 12.5 | 6.3 | ≤25 | 100 | 810 | 155 | 105 | 114 | 110 | 8-17 | 17 | 5 | -1.455 | - | 0.27 | 0.0070 | 80 | 2.8 |
| SWC225BF | 225 | 40 | 20 | ≤15 | 140 | 920 | 196 | 135 | 152 | 120 | 8-17 | 20 | 5 | 32 | 9 | 0.79 | 0.0234 | 138 | 4.9 |
| SWC250BF | 250 | 63 | 31.5 | 1035 | 218 | 150 | 168 | 140 | 8-19 | 25 | 6 | 40 | 12.5 | 1.46 | 0.0277 | 196 | 5.3 | ||
| SWC285BF | 285 | 90 | 45 | 1190 | 245 | 170 | 194 | 160 | 8-21 | 27 | 7 | 40 | 15 | 2.87 | 0.0510 | 295 | 6.3 | ||
| SWC315BF | 315 | 125 | 63 | 1315 | 280 | 185 | 219 | 180 | 10-23 | 32 | 8 | 40 | 15 | 5.09 | 0.0795 | 428 | 8.0 | ||
| SWC350BF | 350 | 180 | 90 | 150 | 1410 | 310 | 210 | 267 | 194 | 10-23 | 35 | 8 | 50 | 16 | 9.20 | 0.2219 | 632 | 15.0 | |
| SWC390BF | 390 | 250 | 125 | 170 | 1590 | 345 | 235 | 267 | 215 | 10-25 | 40 | 8 | 70 | 18 | 16.62 | 0.2219 | 817 | 15.0 | |
| SWC440BF | 440 | 355 | 180 | 190 | 1875 | 390 | 255 | 325 | 260 | 16-28 | 42 | 10 | 80 | 20 | 28.24 | 0.4744 | 1290 | 21.7 | |
| SWC490BF | 490 | 500 | 250 | 190 | 1985 | 435 | 275 | 325 | 270 | 16-31 | 47 | 12 | 90 | 22.5 | 46.33 | 0.4744 | 1631 | 21.7 | |
| SWC550BF | 550 | 710 | 355 | 240 | 2300 | 492 | 320 | 426 | 305 | 16-31 | 50 | 12 | 100 | 22.5 | 86.98 | 1.3570 | 2567 | 34.0 | |
| SWC620BF | 620 | 1000 | 500 | 240 | 2500 | 555 | 380 | 426 | 340 | 10-38 | 55 | 12 | 100 | 25 | 147.50 | 1.3570 | 3267 | 34.0 | |
Coniunctiones universales, etiam iuncturae universales appellatae, partes mechanicae sunt quae motum torquem et motum gyratorem inter duas hastilia movent, quae perfecte aciem non possunt. Angularia, axialia et radialia misalignmenta tractant, dum potestatem efficientem in diversis usibus industrialibus transferunt. In Raydafon, noster SWC cardanus, hastile universalis seriei iuncturae iuncturae est primum exemplum machinationis top-SCARICAE, summus torques universalis iuncturae solutionum iuncturarum quae modo factae sunt ob maculas gravis officiorum sicut molarum volventia et machinae levativae.
Praecipua genera iuncturarum iuncturarum universalium frangamus:
Primum sursum est Unius Universalis Articulus. Unam crucem informibus versorium duobus iugis connectens, hastilia misalignitatem angularem usque ad 45 gradus habet. Bene operatur ad setups modicis exsertionibus, licet velocitatem mutationes causare possit. Raydafon firmum grave officium commune iuncturae universalis ad molendinum operationum volubilem saepe utitur consiliis singulis compactis in aedificationibus, unde magna etiam sub oneribus sustinet.
Tum duplex est Coniunctio Universalis. Duos unos articulos inter se conexos habet, qui maiora infortunia tractat et velocitatem transmissionis paene constantem servat, perfectam ad insidiosos spiculi perplexos. Cum durabili SWC iuncturam spiculum universalem debes in apparatu tollendo et materiali tractando, exemplaribus coniunctionis duplicis Raydafon boostis stabilitatis et vibrationum decisa in summo vis industriae systematis iuncturae universalis.
Proxima est Telescopica seu Expandabilis Communis Universalis. Splines vel partes devolvens habet quae longitudinis aptas te dum etiam compensando misalignment, quae agit pro axialibus motibus in dynamicis setups. Raydafon's SWC grave officium iuncturae universalis iuncturae telescopicae includit optiones telescopicas - efficientem iuncturam universalem pro magna potestate tradendi in locis quasi metallis vel situs constructionis, ubi flexibilitatem in hastili longitudine opus est.
Sunt etiam solidae, Bored, seu Splined Hub Genera. Haec inter se differunt quomodo cohaerent: axibus solidis non perforata, axibus perforatis rotundis, foraminibus, hexis, quadratis, axibus striatae ad artum aptae striatae. Ad industriam salvificam solutiones iuncturam universalem iuncturae, Raydafon consilia sparsa in nostro strepitu communium iuncturarum linearum communium offert — torques optimizant partus et obstrepunt usque ad 30-40 dB(A) in maculis industrialibus sensitivo.
Raydafon's iuncturae universalis nexus, inclusa serie SWC, fiunt cum consiliorum capitis integratis - exitibus fulmine actis non amplius, quae boosts vires per 30%-50% et efficientias transmissionis usque ad 98.6% hits fiunt. Hae notae faciunt fructus nostros summum electionem pro professionalibus qui egent nativus, solutiones perficiendi summus.
Coniunctiones universales - accipe Raydafon in SWC cardan hastile universalem coniunctionem iuncturam ut primum exemplum - magnas utilitates ad systemata tradenda industrialia affere. Aureus efficaciter movent inter hastilia quae non sunt aligned, omnia deviationis genera tractant, et necesse est ut operationes non aequaliter in difficilibus ambitibus servent, sicut illa quae solutionibus iuncturarum iuncturarum torquem universalem desiderant.
In praecipuas utilitates suas intendere: Primum magna sunt in misalignment compensatione. Coniunctiones universales tractant angulares, axiales et misalignmenta radialia usque ad 25 gradus, quae certam gravem obligationem universalem iuncturam efficiunt pro operationibus molendinorum volvendis. Id faciunt sine addito accentus vel vibratione mechanica nimis, ut machinae manus tuae munitae sint.
Tum durabilitas eorum dura et longa vita est. Has iuncturas construimus cum furca caput consiliorum et materiarum solidarum, quae in periculis quasi clausurae dissolutionis vel dissolutionis solvendae sunt, structurae integritatis per 30%-50% boosting. Quam ob rem valida SWC iuncturam iuncturam instrumenti in tollendo et materiali instrumento tractando tam bene per longa spatia in asperis conditionibus operatur; durat exempla traditionalia per iactum longum.
Habent etiam summam incisura onera portantium et facultatem torques. Machinator ad gravia pondera tenere ac torques nominales transmittere ab 0,15 ad 1000 kN·m, compages industrialis universalis iuncturae elucet in gravibus machinae systematis iuncturae universalis iuncturae. In his setups, in summa onerum effectio consistens fac-vel-confractum est, et haec copulatio omni tempore liberat.
Cum potentia transmissionis efficientiae advenit, difficile es verberare. Hitting usque ad 98,6% efficientiam, SWC grave officium iuncturae universalis coniunctio energiae humilis servat. Hoc efficit ut efficax coniunctio communis universalis pro magna potestate tradenda in applicationibus industrialibus summus, et super tempus, quod efficientia addit usque ad peculi pretium reale.
Novissime, sed non minimum, industria salvant et quiete currunt. Cum industria-salvis solutiones iuncturae universalis iuncturae, in usum electricitatis excidunt et operantur modo 30-40 dB(A). Haec humilis strepitus iuncturae universalis coniunctio perfecta est ad loca industriae ubi strepitus cura est – omnem fidem quam sine magna operatione debes habere.
Coniunctiones universales-plerique populares iuncturas universales vocant - opus in idea mechanica simplici sed efficaci: movent motum torquem et rotationalem inter hastilia quae perfecte non aciem instruunt, angulares, axeos, et misalignmenta radialia sine pulsum omissis movent. Sume Raydafon spiculum universale SWC cardani iuncturam iuncturam, exempli causa — magnum spectaculum huius principii est. Versiculo transverso utitur (saepe araneam appellamus) ad iungenda in singulis harundinibus coniungendis, ut potentia aequaliter etiam in industriae studiosos transferat.
Cor quomodo operatur est illa crucis cardo: iugis gyrari independenter emittit, quod usque ad 25 gradus facit hastile persimiles, dum torques partus constantem retinet. Hic summus torques universalis iuncturae coniunctio etiam celeritatem gyrationis ad minimam mutationes servat — praesertim cum duplex consilium iuncturam habet—sic perfectus est pro jobs qui certo officiorum communium iuncturam gravem egent ad molendini operationes volubilem. Et cum Raydafon's SWC series, consilium capitis furcae integratum adiecimus ut hoc mechanismum meliorem faceremus: dissolvit problemata sicut fulmina solvens, boosts vires structurarum 30%-50% per XXX%-50%, et adiuvat ut diutius durare in locis visis.
Hoc principium etiam magnam sustinet facultatem onus-ferentium. Ansarum iuncturae torquibus nominalibus ab 0,15 ad 1000 kN·m, cum diametris gyrationis inter φ58 et φ620—id est cur SWC coagmentatio iuncturae communis in levandis et materialibus instrumentis tractandis tam solida vagum pro lenta operatione est. Plus, coniunctio industrialis universalis coniunctio usque ad 98.6% efficientiam transmissionis pervenit, decidit de industria usu in gravibus machinae systematis iuncturae universalis iuncturae.
Quid plus est, Raydafons SWC grave-officium iuncturae universalis coniunctio habet features quae principii focus in lenis operatione congruit: transmissio stabilis servat, et strepitus inter 30-40 dB(A). Quod efficiens copulationem universalem efficiens pro magna potestate tradendi facit, et summum energiae conservandae solutionis iuncturae iuncturae universalis pro summus potentiae industrialis setups. Omnino hic humilis strepitus communis iuncturae rerum quieta servat, ita magna in locis ubi sollicitudinis strepitus efficit — sine sacrificio constantiae.
⭐⭐⭐⭐⭐ Li Iun, Senior ipsum, Jiangsu Power Equipment Co, Ltd.
Raydafon in SWC-BF Latin Flex Flange Type Universal Copulando per aliquot menses nunc usi sumus, et magna opera fuimus. Quod maxime eminet flexibilitas huius copulationis — certiora fecit machinationem nostram, praesertim cum fit compensatio misalignment de stipite. Instruendo erat processus lenis, nullae gressus insidiosae, et societas rerum solida nimis spectat — tranquillitatem animi nobis certam dat quod manebit. Pro pretio, vere bonum est valorem, et si in gravi machinarum industria es, flexibilem hanc coniunctionem universalem LABIUM absolute commendem.
⭐⭐⭐⭐⭐ John Davis, Engineering Mechanical, Manchester Engineering Ltd., UK
Ad nostram Manchester facultatem, vetus coniunctio pro Raydafon's SWC-BF Standard Flex Flange Type Universalis copuletur, et differentia statim manifesta fuit. Haec coniunctio universalis vim leniter et efficaciter movet, etiam cum in magnis vis conditionibus currimus, numquam intermittit. Flexibilitas geminata cum suo lento consilio servat machinam nostram sine Crispi currentem. Plus, Raydafon traditio ad nos celeriter obtinuit, eorumque mos muneris erat top-SCARIFATIO—totam emptionis experientiam multo meliorem fecit. Magnopere commendamus hanc certam flex LABIUM universalem copulam!
⭐⭐⭐⭐⭐ Matteo Rossi, Procurator Operationum, Mediolani Solutiones Industriales, Italy
Venatione fuimus in coniunctione universali quae misalignments bene tractare potuimus, et quomodo invenimus Raydafon's SWC-BF Standard Flex Flange Type Universal Coupling. Paucis hebdomadibus eo usi sumus nunc, et certo dicere possum omnes cistas nostras coercet. Facile erat inaugurari, non extra hassle, et etiam cum per condiciones provocantes ponimus, sustentat. Qualitas praestantissima est pro pretio — definite captiosus investment pro machinatione nostra. Sum vere felix cum productum et servitium Raydafon nobis dedit.
Raydafon non est iustus fabrica-primum supplementum principalium partium transmissionis et machinarum industrialium, et altam peritiam in productis sicut SWC cardan spiculum universalem iuncturam iuncturam habuimus. Innovatione et qualitate in core nostro incepimus, et in tempore, aciem nostram crevimus ut armamenta, armamenta, cylindros, trochleas, et machinae machinamenta ejicere coepimus - omnia ad conve- nndas necessitates agricolarum et gravium officiorum industriarum. Noster summus torques universalis iuncturae coniunctionis solutiones diligenter confictae sunt, dum certos torques translationes blande ac misalignmenta recte tractant-habent clientes absoluti oportet-habere clientes, qui certae gravitatis officiorum communium iuncturam egent ad molendinum volvendum operationes.
Facultates productionis nostrae status-of-artis sunt: officinas CNC obtinuit, calces et 3D systemata mensurae curationis stridor et caloris habuimus. Strictis signis sicut ISO9001/TS16949 adhaeremus, itaque omnem coniunctionem compaginem universalem industrialem facimus praecisam et ad ultimum aedificatam. Accipe nostrae durabilem SWC coniunctionem iuncturam nostram in instrumento tollendo et materiali tractando, exempli gratia: suus optimized pro locis quae gravi onere portando indigent. et nostrum SWC-gravis-officium iunctura uni- versalis? Solvit problemata in gravibus machinae systematis iuncturae universalis iuncturae, ubi stabilis moratur sub extrema condicione non negotiabiles.
Magnus es in global spatium nimium-80% productorum nostrorum ad mercatus exportandi sicut US, Germania, Iaponia, Italia, Malaysia, Australia, Medius Oriens. Trans Sinas, Coream Meridionalem, UK, Singapore, US, Hispaniam tenemus, quae consuetudinem efficientem communem coniunctionem universalem pro magna potestate optionum tradendarum creamus. Hae ad certas necessitates formandae sunt, sicut nostra industria solutiones iuncturae universalis salutaris, quae usque ad 98.6% transmissionis efficientiam attingit, exsectio industriae in usu potentiae altae.
Sustentabilitas et clientis innovatio nobis feruntur. Quam ob rem optiones iuncturae iuncturae universalis obstrepentes praebemus quae strepitum inter 30-40 dB(A) servant — perfectum pro maculis industrialibus ubi strepitus cura est. Et remittimus omnia cum plenaria post-venditione subsidii. Nostrum officium rebus agendis recte faciendi Raydafon fidelem socium in tradenda industria facit, professionalibus adiuvandis optimam observantiam ac fidem ex instrumento suo consequi.
Oratio
Luotuo Industrial Area, Zhenhai District, Ningbo urbs, China
Tel


+86-574-87168065


Luotuo Industrial Area, Zhenhai District, Ningbo urbs, China
Copyright © Raydafon Technology Group Co.,Limited All Rights Reserved.
Links | Sitemap | RSS | XML | Privacy Policy |
